電機接觸電流要求和檢測。
內容簡介:測量時電機的狀態。接觸電流應在電機熱試驗后進行測量。試驗電源電壓為電機最高額定電壓的105%,試驗電源頻率為電機的工作頻率。試驗加壓位置和測試方法。接觸電流應在電機上易同時觸及的金屬零部件之間、電機上易觸及的金屬部件與地之間測量。
GB14711《中小型旋轉電機安全通用要求》中規定,當人體或動物接觸一個或多個裝置的或設備的可觸及零部件時,流過他們身體的電流為接觸電流,也稱之為泄漏電流。
電機應有良好的絕緣性能。在正常工作時,電機的接觸電流或泄漏電流應不超過規定值。GB14711規定了中小型電機接觸電流的限值及測定方法:GB12350規定了小功率電機泄漏電流的測定方法。
關于電子產品的接觸電流
對于不同結構的電子產品,接觸電流的測量也是有不同的要求,但總括來說接觸電流可分為對地接觸電流、表面對地接觸電流以及表面間接觸電流三種。
對地接觸電流是由電源網絡產生的漏電流穿過或跨過絕緣層并流入保護接地導線的電流。
表面對地接觸電流是從在正常使用時操作者或患者可觸及的外殼或外殼部件(應用部分除外),經外部導電連接而不是保護接地導線流入大地或外殼其它部分的電流。
表面間接觸電流是在正常或是單一故障條件下,設備與地無關聯任意兩點之間的漏電流,電流從設備的一部分流經人體后流入設備的另一部分。
中小型電機接觸電流的測定試驗
接觸電流的限值。GB14711規定,電機在工作溫度下的接觸電流應≤3.5mA。
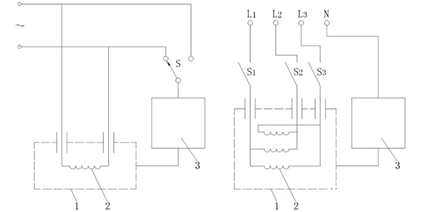
接觸電流測量接線。單相和三相中小型交流電機測量接線分別見圖1和圖2所示。圖中M電路如圖3所示。
測量時電機的狀態。接觸電流應在電機熱試驗后進行測量。試驗電源電壓為電機最高額定電壓的105%,試驗電源頻率為電機的工作頻率。
試驗加壓位置和測試方法。接觸電流應在電機上易同時觸及的金屬零部件之間、電機上易觸及的金屬部件與地之間測量。
(1)對單相電機,應將電機繞組兩端依次轉換至電源的不同極性
(用開關S),且分別在斷開保護接地(用開關SE)和斷開中線(用開關SN)的情況下,測取接觸電流的最大值。
(2)對三相電機,應輪流斷開其中的任一相(用開關S1、S2和S3),且斷開保護接地(用開關SE)的情況下,測取接觸電流的最大值。
(3)測量時,電機應與地絕緣。測量電極為試棒,A端電極每次接入時,應先接到地,然后再依次接到每個可觸及的其他零部件上進行測量。
小功率電機接觸電流的測定試驗
試驗接線 試驗接線見圖4
條件具備時,該試驗應在熱試驗后進行。試驗時電機加1.06倍的額定電壓,其運行方式由產品標準制定。電機應與地絕緣。
試驗時,對于單相電機,應將開關S轉換到電源的不同極性;對于三相電機,則應輪流斷開S1、S2和S3三個開關中的一個,閉合另外兩個,以測得最大的泄漏電流。
合格標準。電動機泄漏電流不應過大,其最高限值由被試電機的技術條件規定。
轉載請說明來自西安泰富西瑪電機(西安西瑪電機集團股份有限公司)官方網站:http://www.xuzhoulilu.com/zixun/weixiubaoyang204.html
電機應有良好的絕緣性能。在正常工作時,電機的接觸電流或泄漏電流應不超過規定值。GB14711規定了中小型電機接觸電流的限值及測定方法:GB12350規定了小功率電機泄漏電流的測定方法。
關于電子產品的接觸電流
對于不同結構的電子產品,接觸電流的測量也是有不同的要求,但總括來說接觸電流可分為對地接觸電流、表面對地接觸電流以及表面間接觸電流三種。
對地接觸電流是由電源網絡產生的漏電流穿過或跨過絕緣層并流入保護接地導線的電流。
表面對地接觸電流是從在正常使用時操作者或患者可觸及的外殼或外殼部件(應用部分除外),經外部導電連接而不是保護接地導線流入大地或外殼其它部分的電流。
表面間接觸電流是在正常或是單一故障條件下,設備與地無關聯任意兩點之間的漏電流,電流從設備的一部分流經人體后流入設備的另一部分。
中小型電機接觸電流的測定試驗
接觸電流的限值。GB14711規定,電機在工作溫度下的接觸電流應≤3.5mA。
接觸電流測量接線。單相和三相中小型交流電機測量接線分別見圖1和圖2所示。圖中M電路如圖3所示。
測量時電機的狀態。接觸電流應在電機熱試驗后進行測量。試驗電源電壓為電機最高額定電壓的105%,試驗電源頻率為電機的工作頻率。
試驗加壓位置和測試方法。接觸電流應在電機上易同時觸及的金屬零部件之間、電機上易觸及的金屬部件與地之間測量。
(1)對單相電機,應將電機繞組兩端依次轉換至電源的不同極性
(用開關S),且分別在斷開保護接地(用開關SE)和斷開中線(用開關SN)的情況下,測取接觸電流的最大值。
(2)對三相電機,應輪流斷開其中的任一相(用開關S1、S2和S3),且斷開保護接地(用開關SE)的情況下,測取接觸電流的最大值。
(3)測量時,電機應與地絕緣。測量電極為試棒,A端電極每次接入時,應先接到地,然后再依次接到每個可觸及的其他零部件上進行測量。
小功率電機接觸電流的測定試驗
試驗接線 試驗接線見圖4
條件具備時,該試驗應在熱試驗后進行。試驗時電機加1.06倍的額定電壓,其運行方式由產品標準制定。電機應與地絕緣。
試驗時,對于單相電機,應將開關S轉換到電源的不同極性;對于三相電機,則應輪流斷開S1、S2和S3三個開關中的一個,閉合另外兩個,以測得最大的泄漏電流。
合格標準。電動機泄漏電流不應過大,其最高限值由被試電機的技術條件規定。
轉載請說明來自西安泰富西瑪電機(西安西瑪電機集團股份有限公司)官方網站:http://www.xuzhoulilu.com/zixun/weixiubaoyang204.html
以上內容由西安泰富西瑪電機(西安西瑪電機集團股份有限公司)網絡編輯部收集整理發布,僅為傳播更多電機行業相關資訊及電機相關知識,僅供網友、用戶、及廣大經銷商參考之用,不代表西安泰富西瑪電機同意或默認以上內容的正確性和有效性。讀者根據本文內容所進行的任何商業行為,西安泰富西瑪電機不承擔任何連帶責任。如果以上內容不實或侵犯了您的知識產權,請及時與我們聯系,西安泰富西瑪電機網絡部將及時予以修正或刪除相關信息。
- 上一篇: 大型電機軸承座的清潔與清洗。
- 下一篇: 高壓電機軸磨損維修的詳細流程
他們還瀏覽了...
- 2022-6-19高壓電機軸磨損維修的詳細流程
- 2022-6-4三相異步電動機安裝步驟以及西瑪電機的故障檢查方法
- 2022-5-29西瑪電機接線中最常見的幾種錯誤
- 2022-5-8西安西瑪電機頻率和速度之間的數學關系
- 2022-5-8三相異步電動機的正確接線方法及故障分析
- 2018-5-15大型電機軸承座的清潔與清洗。
- 2018-5-14電機轉矩轉速的控制精度測試是如何實現的?
- 2018-5-14變頻電機對地故障案例分析。
- 2018-5-14直流減速電機受潮后如何干燥?
- 2018-5-10電機為何要安裝編碼器?
行業資訊
電機風罩的工作原理及其用途。
高壓電機軸磨損維修的詳細流程
三相異步電動機安裝步驟以及西瑪電機的故障檢查
西瑪電機接線中最常見的幾種錯誤
綠色發展可以幫助電機廠家解決利潤問題
高效節能電機過熱原因分析
需要更換高效節能的電機的必要性分析!
西安西瑪電機頻率和速度之間的數學關系
高壓電機軸磨損維修的詳細流程
三相異步電動機安裝步驟以及西瑪電機的故障檢查
西瑪電機接線中最常見的幾種錯誤
綠色發展可以幫助電機廠家解決利潤問題
高效節能電機過熱原因分析
需要更換高效節能的電機的必要性分析!
西安西瑪電機頻率和速度之間的數學關系
西安西瑪電機舉辦“迎國慶”員工趣味運動項目比
關于西安西瑪電機的工作制,大家了解一下。
西安西瑪電機工會慶祝3月8日的評選頒獎活動。
西安西瑪電機向在抗擊疫情前線的工作人員們致敬
西安西瑪電機職工安全生產知識宣傳教育工作全面
西安泰富西瑪電機亮相第27屆中國西部國際裝備
西安泰富西瑪電機將高效節能三相異步電動機作為
西安西瑪電機始終堅持誠信銷售的理念。
關于西安西瑪電機的工作制,大家了解一下。
西安西瑪電機工會慶祝3月8日的評選頒獎活動。
西安西瑪電機向在抗擊疫情前線的工作人員們致敬
西安西瑪電機職工安全生產知識宣傳教育工作全面
西安泰富西瑪電機亮相第27屆中國西部國際裝備
西安泰富西瑪電機將高效節能三相異步電動機作為
西安西瑪電機始終堅持誠信銷售的理念。
泰富西瑪電機
配套電柜
電機配件
YKK系列高壓三相異步電機西安泰富西瑪YKK系列(H355-1000)高壓三相異步電機可作驅動
Y2系列緊湊型高壓異步電機西安泰富西瑪?Y2系列(H355-560)6KV緊湊型高壓異步電機可
YE3系列高效節能電機西安泰富西瑪電機生產的YE3系列高效節能電機達到了國標二級能效標準,
Z4系列直流電機西安泰富西瑪Z4系列直流電動機比Z2、Z3系列具有更大的優越性,它不
Z2系列小型直流電機西安泰富西瑪Z2系列電機為一般工業用小型直流電機,其電動機適用于恒功
ZTP型鐵路機車動車用直流輔助西安泰富西瑪ZTP系列西瑪電機應能滿足鐵路機車動車用直流輔助電機通用



西安西瑪電機緊跟電機行業的發展趨勢,了解電機市場動態,制定出西瑪電機的發展規劃,穩步前行。
隨著國家節能減排的積極推行,新能源汽車產業快速增長及高效節能電機補貼政策的逐步落實,高效節能電機業將迎來爆發式的增長。
西瑪電機售后維修業務有:軸料加工件、鋼板切割、焊接件、高壓機殼、冷卻器、上下罩、高、低壓交直流電機;國內、外電機的修理、維護和試驗。
質量為本,用戶至上”是我公司一貫宗旨。“誠心、貼心、傾心、西瑪永遠用心”的“三心”服務理念。
西安泰富西瑪電機(西安西瑪電機集團股份有限公司)是國內九大的電機供應商之一,產品包括各種高低壓、交直流、高壓同步電機等。


















